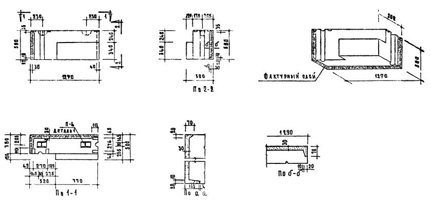
НБУ-13.6.5

Чертеж изделия:
Характеристики изделия:
ПараметрЗначение
Длина1290 мм
Ширина500 мм
Высота580 мм
Масса615 кг
Нормативный документСерия 1.133-1
Цена:
Рассчитать стоимость

Стеновые легкобетонные блоки толщиной 50 см по Серии 1.133-1.

НБУ-13.6.5   Поясной блок угловой.

Отзывы наших клиентов