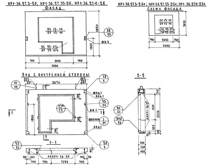
НР1-36.27.3-2бл

Чертеж изделия:
Чертеж НР1-36.27.3-2бл
Характеристики изделия:
ПараметрЗначение
Длина3590 мм
Ширина300 мм
Высота2650 мм
Масса2740 кг
Нормативный документСерия 1.132-1

НР1-36.27.3-2бл   Наружная стеновая панель рядовая по Серии 1.132-1.